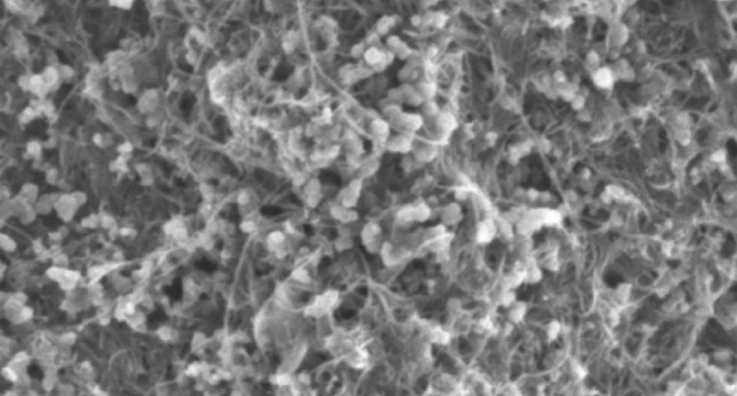
PTFE分散体
三菱鉛筆は筆記具インクの顔料化を進める中で超微粒子分散技術の開発を進めて参りました。三菱鉛筆のポリテトラフルオロエチレン(PTFE)分散体は、当社の顔料分散技術を用いて得られた、微細なPTFE粒子の分散体です。アイデア次第でPTFEが有する優れた特性を材料に付与できます。当社のPTFE分散体を様々な材料と組み合わせることで、PTFEが持つ優れた特性を付与することが可能になります。
産業資材事業は、筆記具開発から生み出されたコア技術を広範な分野、用途へ提案しております。
主な技術としては、ボールペン・サインペンのインク開発で培った 「分散技術」、シャープ芯、鉛筆芯の開発で培った、主にカーボンを様々な特性に作り上げる「焼成加工技術」、その他「微細加工技術」「容器設計技術」などをご紹介しています。
従来サインペンやボールペンなどの液体筆記具の着色剤には、染料が多く用いられてきました。その中で当社は顔料の堅牢性、耐候性などに着目し、40年近く着色剤の顔料化を進めて参りました。顔料は染料に比べ分散が難しく、インク化する際に沈降したり、凝集してしまうため、分散技術を開発する必要があり、当社は分散技術を磨いて参りました。
こうして三菱鉛筆では筆記具の顔料化を進め、その中で培った超微粒子分散技術の開発を、筆記具用インク以外の分野へも応用展開しています。

三菱鉛筆は筆記具インクの顔料化を進める中で超微粒子分散技術の開発を進めて参りました。三菱鉛筆のポリテトラフルオロエチレン(PTFE)分散体は、当社の顔料分散技術を用いて得られた、微細なPTFE粒子の分散体です。アイデア次第でPTFEが有する優れた特性を材料に付与できます。当社のPTFE分散体を様々な材料と組み合わせることで、PTFEが持つ優れた特性を付与することが可能になります。

三菱鉛筆は、電池向け導電助剤としてのCNT(カーボンナノチューブ)の性能を最大限に発揮する分散技術を保有しています。

三菱鉛筆は、電池向け導電助剤としてグラフェンの分散体を提案しています。グラフェンを使用することで様々な電池特性におけるメリットが期待できます。

三菱鉛筆は、筆記具開発で培った技術を使ってドライ電極を開発しております。ドライ電極は、乾燥工程の削減、溶剤の不使用といった環境負荷の低減が期待できる次世代電極技術です。
三菱鉛筆はシャープ芯・鉛筆芯の開発を長年に渡り進めて参りました。三菱鉛筆のPFC(Plastic Formed Carbon)は、シャープ芯・鉛筆芯技術により開発したカーボン製品です。PFCは、高強度・高剛性の製品です。またPFCは、カーボンの特徴である電気伝導性・熱伝導性・耐熱性・耐食性・潤滑性・生体親和性・吸着活性などを有します。そのため、広範な分野・用途でのご使用が可能です。

三菱鉛筆のPFC(Plastic Formed Carbon):カーボン製品は、カーボンの持つ様々な特性を活かすことによって様々な製品をご提案しております。軽くて剛性がある特性を活かしたカーボン振動版、様々な音響インピーダンスに特性を調整したカーボン整合層、硬く、摺動性を持たせたカーボン摺動材、気孔率、気孔径を調整することによって作るカーボン多孔体、カーボンの導電性と耐薬品性を活かしたカーボン電極など様々な製品をご提案いたします。
三菱鉛筆は、産業用ルートにに対して筆記具で培った技術を応用した製品を提案しています。
今後新たな需要が見込まれる技術分野に対して積極的に提案して参ります。

三菱鉛筆は、環境負荷低減や、脱炭素社会の実現に向けて注目されている水素燃料電池向けのセパレータを開発しています。オリジナルの導電性フィラーと導電性繊維、熱可塑性樹脂の最適化によって、各物性を高い次元でバランスさせています。

三菱鉛筆は筆記具、化粧品などの分野で、様々な吐出機構の開発実績がございます。液体を適量かつ正確に吐出できる機構の設計が可能です。高温、気圧の高い場所など、特殊な環境で使用する場合に適した機構もございます。粘度の高い液体、沈降しやすい液体の吐出機構も開発可能です。お客様のご用途、要求特性に合わせて開発可能です。